L (3 / 8”) 075 Taper Lock Bush Timing Pulley
- Home
- Product
- Taper Lock Bush Timing Pulley
- L (3 / 8") Taper Lock Bush Timing Pulley
- L (3 / 8”) 075 Taper Lock Bush Timing Pulley
L (3 / 8”) Taper Lock Bush Timing Pulley Ref. L075
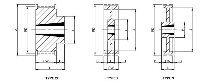
Technical Specifications
| PART NO | PULLEY SIZE | PULLEY TYPE | BUSH NO | MATERIAL | NO. OF TEETH | MAX BORE (MB) | PD | A | PW | J | B | L | D | E | APPROX WEIGHT (kg) |
|---|---|---|---|---|---|---|---|---|---|---|---|---|---|---|---|
| N0856 | 18L075 | 2F | 1108 | C.I. / FG200 | 18 | 28 | 54.57 | 60 | 25 | - | - | 25 | - | - | 0.24 |
| N0857 | 19L075 | 2F | 1108 | C.I. / FG200 | 19 | 28 | 57.61 | 64 | 25 | - | - | 25 | - | - | 0.28 |
| N0858 | 20L075 | 2F | 1108 | C.I. / FG200 | 20 | 28 | 60.64 | 67 | 25 | - | - | 25 | - | - | 0.33 |
| N0859 | 21L075 | 2F | 1108 | C.I. / FG200 | 21 | 28 | 63.67 | 70 | 25 | - | - | 25 | - | - | 0.38 |
| N0860 | 22L075 | 2F | 1108 | C.I. / FG200 | 22 | 28 | 66.70 | 75 | 25 | - | - | 25 | - | - | 0.45 |
| N0861 | 23L075 | 2F | 1108 | C.I. / FG200 | 23 | 28 | 69.73 | 79 | 25 | - | - | 25 | - | - | 0.52 |
| N0862 | 24L075 | 2F | 1108 | C.I. / FG200 | 24 | 28 | 72.77 | 79 | 25 | - | - | 25 | - | - | 0.58 |
| N0864 | 26L075 | 2F | 1108 | C.I. / FG200 | 26 | 28 | 78.83 | 86 | 25 | - | - | 25 | - | - | 0.71 |
| N0865 | 27L075 | 2F | 1108 | C.I. / FG200 | 27 | 28 | 81.86 | 86 | 25 | - | - | 25 | - | - | 0.79 |
| N0866 | 28L075 | 2F | 1108 | C.I. / FG200 | 28 | 28 | 84.89 | 91 | 25 | - | - | 25 | - | - | 0.86 |
| N0867 | 30L075 | 2F | 1108 | C.I. / FG200 | 30 | 42 | 90.96 | 98 | 25 | - | - | 25 | - | - | 1.04 |
| N0868 | 32L075 | 2F | 1108 | C.I. / FG200 | 32 | 28 | 97.02 | 98 | 25 | - | - | 25 | - | - | 1.21 |
| N0869 | 36L075 | 2F | 1610 | C.I. / FG200 | 36 | 42 | 109.15 | 115 | 25 | - | - | 25 | - | - | 1.41 |
| N0870 | 40L075 | 2F | 1610 | C.I. / FG200 | 40 | 42 | 121.28 | 128 | 25 | - | - | 25 | - | - | 1.86 |
| N0871 | 48L075 | 2F | 1610 | C.I. / FG200 | 48 | 42 | 145.53 | 151 | 25 | 120 | - | 25 | - | 92 | 2.50 |
| N0872 | 60L075 | 7 | 1610 | C.I. / FG200 | 60 | 42 | 181.91 | - | 25 | 166 | - | 25 | - | 92 | 3.00 |
| N0873 | 72L075 | 7 | 1610 | C.I. / FG200 | 72 | 42 | 218.30 | - | 25 | 202 | - | 25 | - | 92 | 4.00 |
| N0874 | 84L075 | 9 | 2012 | C.I. / FG200 | 84 | 50 | 254.68 | - | 25 | 236 | 3.5 | 32 | 3.5 | 106 | 5.20 |
| N0875 | 96L075 | 9 | 2012 | C.I. / FG200 | 96 | 50 | 291.06 | - | 25 | 270 | 3.5 | 32 | 3.5 | 106 | 6.50 |
| N0876 | 120L075 | 9 | 2012 | C.I. / FG200 | 120 | 50 | 2363.83 | - | 25 | 343 | 3.5 | 32 | 3.5 | 106 | 7.60 |
