H (1 / 2”) 200 Taper Lock Bush Timing Pulley
- Home
- Product
- Taper Lock Bush Timing Pulley
- H Taper Pitch Pulley
- H (1 / 2”) 200 Taper Lock Bush Timing Pulley
H (1 / 2”) Taper Lock Bush Timing Pulley Ref. H200
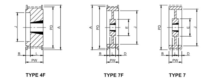
Technical Specifications
| PART NO | PULLEY SIZE | PULLEY TYPE | BUSH NO | MATERIAL | NO. OF TEETH | MAX BORE (MB) | PD | A | PW | J | B | L | D | E | APPROX WEIGHT (kg) |
|---|---|---|---|---|---|---|---|---|---|---|---|---|---|---|---|
| N0794 | 18H200 | 4F | 1210 | C.I. / FG200 | 18 | 32 | 72.77 | 79 | 58 | 52 | 33 | 25 | - | - | 1.65 |
| N0795 | 19H200 | 4F | 1210 | C.I. / FG200 | 19 | 32 | 76.81 | 83 | 58 | 56 | 33 | 25 | - | - | 1.90 |
| N0796 | 20H200 | 4F | 1610 | C.I. / FG200 | 20 | 42 | 80.95 | 87 | 58 | 60 | 33 | 25 | - | - | 2.11 |
| N0797 | 21H200 | 4F | 1610 | C.I. / FG200 | 21 | 42 | 84.89 | 91 | 58 | 64 | 33 | 25 | - | - | 2.23 |
| N0798 | 22H200 | 4F | 1610 | C.I. / FG200 | 22 | 42 | 88.94 | 95 | 58 | 67 | 33 | 25 | - | - | 2.45 |
| N0799 | 23H200 | 4F | 1610 | C.I. / FG200 | 23 | 42 | 92.98 | 98 | 58 | 70 | 33 | 25 | - | - | 2.71 |
| N0800 | 24H200 | 4F | 1610 | C.I. / FG200 | 24 | 42 | 97.025 | 103 | 58 | 74 | 33 | 25 | - | - | 2.97 |
| N0801 | 25H200 | 4F | 1610 | C.I. / FG200 | 25 | 42 | 101.06 | 106 | 58 | 77 | 33 | 25 | - | - | 3.32 |
| N0802 | 26H200 | 4F | 1610 | C.I. / FG200 | 26 | 42 | 105.11 | 112 | 58 | 82 | 33 | 25 | - | - | 3.61 |
| N0803 | 27H200 | 4F | 1610 | C.I. / FG200 | 27 | 42 | 109.15 | 115 | 58 | 85 | 33 | 25 | - | - | 3.90 |
| N0804 | 28H200 | 4F | 1610 | C.I. / FG200 | 28 | 42 | 113.19 | 120 | 58 | 91 | 33 | 25 | - | - | 4.10 |
| N0805 | 30H200 | 4F | 1610 | C.I. / FG200 | 30 | 42 | 121.28 | 128 | 58 | 98 | 33 | 25 | - | - | 4.74 |
| N0806 | 32H200 | 4F | 1610 | C.I. / FG200 | 32 | 50 | 129.36 | 135 | 58 | 106 | 26 | 32 | - | - | 5.60 |
| N0807 | 36H200 | 7F | 2012 | C.I. / FG200 | 36 | 50 | 145.53 | 151 | 58 | 121 | 13 | 32 | 13 | 102 | 7.10 |
| N0808 | 40H200 | 7F | 2012 | C.I. / FG200 | 40 | 50 | 161.70 | 168 | 58 | 138 | 13 | 32 | 13 | 106 | 8.40 |
| N0809 | 44H200 | 7F | 2012 | C.I. / FG200 | 44 | 60 | 177.87 | 184 | 58 | 150 | 13 | 32 | 13 | 106 | 10.50 |
| N0810 | 48H200 | 7F | 2517 | C.I. / FG200 | 48 | 60 | 194.04 | 200 | 58 | 169 | 6.5 | 45 | 6.5 | 119 | 8.60 |
| N0812 | 72H200 | 7 | 2517 | C.I. / FG200 | 72 | 60 | 291.06 | - | 60 | 270 | 7.5 | 45 | 7.5 | 119 | 14.00 |
| N0813 | 84H200 | 7 | 2517 | C.I. / FG200 | 84 | 60 | 339.57 | - | 60 | 320 | 7.5 | 45 | 7.5 | 119 | 15.00 |
| N0814 | 96H200 | 7 | 2517 | C.I. / FG200 | 96 | 60 | 388.08 | - | 60 | 366 | 7.5 | 45 | 7.5 | 119 | 20.30 |
| N0815 | 120H200 | 7 | 2517 | C.I. / FG200 | 120 | 60 | 485.10 | - | 60 | 462 | 7.5 | 45 | 7.5 | 119 | 28.00 |
