H (1 / 2”) Taper Lock Bush Timing Pulley
- Home
- Product
- Taper Lock Bush Timing Pulley
- H Taper Pitch Pulley
- H (1 / 2”) Taper Lock Bush Timing Pulley
H (1 / 2”) Taper Lock Bush Timing Pulley Ref. H100
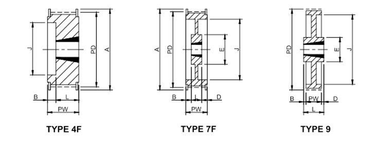
Technical Specifications
| PART NO | PULLEY SIZE | PULLEY TYPE | BUSH NO | MATERIAL | NO. OF TEETH | MAX BORE (MB) | PD | A | PW | J | B | L | D | E | APPROX WEIGHT (kg) |
|---|---|---|---|---|---|---|---|---|---|---|---|---|---|---|---|
| N0749 | 16H100 | 4F | 1108 | C.I. / FG200 | 16 | 28 | 64.68 | 70 | 32 | 45 | 7 | 22 | - | - | 0.88 |
| N0750 | 16H100 | 4F | 1210 | C.I. / FG200 | 18 | 32 | 72.77 | 79 | 32 | 52 | 7 | 25 | - | - | 1.06 |
| N0751 | 19H100 | 4F | 1210 | C.I. / FG200 | 19 | 32 | 76.81 | 83 | 32 | 56 | 7 | 25 | - | - | 1.23 |
| N0752 | 20H100 | 4F | 1210 | C.I. / FG200 | 20 | 32 | 80.95 | 87 | 32 | 60 | 7 | 25 | - | - | 1.33 |
| N0753 | 21H100 | 4F | 21 | C.I. / FG200 | 20 | 32 | 84.89 | 91 | 32 | 32 | 7 | 25 | - | - | 1.43 |
| N0754 | 22H100 | 4F | 1210 | C.I. / FG200 | 22 | 32 | 88.94 | 95 | 32 | 67 | 7 | 25 | - | - | 1.63 |
| N0755 | 23H100 | 4F | 1610 | C.I. / FG200 | 23 | 42 | 92.98 | 98 | 32 | 70 | 7 | 25 | - | - | 1.85 |
| N0756 | 24H100 | 4F | 1610 | C.I. / FG200 | 24 | 42 | 97.02 | 103 | 32 | 74 | 7 | 25 | - | - | 1.93 |
| N0757 | 25H100 | 4F | 1610 | C.I. / FG200 | 25 | 42 | 101.06 | 106 | 32 | 77 | 7 | 25 | - | - | 2.07 |
| N0758 | 26H100 | 4F | 1610 | C.I. / FG200 | 26 | 42 | 105.11 | 112 | 32 | 82 | 7 | 25 | - | - | 2.30 |
| N0759 | 27H100 | 4F | 1610 | C.I. / FG200 | 27 | 42 | 109.15 | 115 | 32 | 85 | 7 | 25 | - | - | 2.40 |
| N0760 | 28H100 | 4F | 1610 | C.I. / FG200 | 28 | 42 | 113.19 | 120 | 32 | 90 | 7 | 25 | - | - | 2.53 |
| N0762 | 32H100 | 7F | 1610 | C.I. / FG200 | 32 | 42 | 129.36 | 135 | 32 | 106 | 3.5 | 25 | 3.5 | 80 | 3.06 |
| N0763 | 36H100 | 7F | 1610 | C.I. / FG200 | 36 | 42 | 145.53 | 151 | 32 | 121 | 3.5 | 25 | 3.5 | 92 | 3.92 |
| N0764 | 40H100 | 7F | 1610 | C.I. / FG200 | 32 | 42 | 161.70 | 168 | 32 | 138 | 3.5 | 25 | 3.5 | 92 | 4.95 |
| N0765 | 44H100 | 7F | 2012 | C.I. / FG200 | 44 | 50 | 177.87 | 184 | 32 | 152 | - | 32 | - | 106 | 6.92 |
| N0766 | 48H100 | 7F | 2012 | C.I. / FG200 | 48 | 50 | 194.04 | 200 | 32 | 169 | - | 32 | - | 106 | 5.30 |
| N0767 | 60H100 | 9 | 2012 | C.I. / FG200 | 60 | 50 | 242.55 | - | 32 | 223 | - | 32 | - | 119 | 7.50 |
| N0768 | 72H100 | 9 | 2012 | C.I. / FG200 | 72 | 50 | 291.06 | - | 32 | 270 | - | 32 | - | 119 | 9.00 |
| N0769 | 84H100 | 9 | 2012 | C.I. / FG200 | 84 | 50 | 339.57 | - | 32 | 318 | - | 32 | - | 106 | 10.00 |
| N0770 | 96H100 | 9 | 2517 | C.I. / FG200 | 96 | 60 | 388.08 | - | 34 | 366 | 5.5 | 45 | 5.5 | 119 | 13.80 |
| N0771 | 120H100 | 9 | 2517 | C.I. / FG200 | 120 | 60 | 485.10 | - | 34 | 462 | 5.5 | 45 | 5.5 | 119 | 22.00 |
