H(1/2”) 100 Plain Bore timing Pulley
- Home
- Product
- Plain Bore Timing Pulley
- H(1/2”) Plain Bore Timing Pulley
- H(1/2”) 100 Plain Bore timing Pulley
H(1/2”) Plain Bore timing Pulley Ref. H100
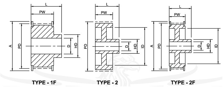
Technical Specifications
| Part No | Pulley Size | Pulley Type | Material | No. Of Teeth | Pd | A | Hd | Id | Pw | L | MIN Bore (D) | Max Bore (D) | APPROX WEIGHT (Kg) |
|---|---|---|---|---|---|---|---|---|---|---|---|---|---|
| N0129 | 14 H100 | 1F | STEEL | 14 | 56.60 | 64 | 45 | - | 32 | 45 | 11 | 30 | 0.67 |
| N0130 | 16 H100 | 1F | STEEL | 16 | 64.68 | 70 | 45 | - | 32 | 45 | 11 | 30 | 0.88 |
| N0131 | 18 H100 | 1F | STEEL | 18 | 72.77 | 79 | 55 | - | 32 | 45 | 12 | 36 | 1.06 |
| N0132 | 19 H100 | 1F | STEEL | 19 | 76.81 | 83 | 60 | - | 32 | 45 | 14 | 40 | 1.23 |
| N0133 | 20 H100 | 1F | STEEL | 20 | 80.85 | 87 | 62 | - | 32 | 45 | 14 | 41 | 1.33 |
| N0134 | 21 H100 | 1F | STEEL | 21 | 84.89 | 91 | 65 | - | 32 | 45 | 14 | 24 | 1.43 |
| N0135 | 22 H100 | 1F | STEEL | 22 | 88.94 | 93 | 68 | - | 32 | 45 | 14 | 45 | 1.63 |
| N0136 | 24 H100 | 1F | STEEL | 24 | 97.02 | 102 | 72 | - | 32 | 45 | 14 | 47 | 1.95 |
| N0137 | 26 H100 | 1F | STEEL | 26 | 105.11 | 112 | 80 | - | 32 | 45 | 14 | 54 | 2.30 |
| N0138 | 28 H100 | 1F | STEEL | 28 | 113.19 | 120 | 80 | - | 32 | 45 | 14 | 54 | 2.53 |
| N0139 | 30 H100 | 1F | STEEL | 30 | 121.29 | 128 | 80 | - | 32 | 45 | 14 | 54 | 2.93 |
| N0140 | 32 H100 | 1F | STEEL | 32 | 129.36 | 135 | 80 | - | 32 | 45 | 14 | 54 | 3.06 |
| N0141 | 36 H100 | 1F | STEEL | 36 | 145.53 | 150 | 80 | - | 32 | 45 | 14 | 48 | 3.92 |
| N0142 | 40 H100 | 1F | STEEL | 40 | 161.70 | 168 | 80 | - | 32 | 45 | 14 | 48 | 4.95 |
| N0143 | 44 H100 | 2F | CAST IRON | 44 | 177.87 | 184 | 80 | 150 | 32 | 50 | 14 | 48 | 6.20 |
| N0144 | 48 H100 | 2F | CAST IRON | 48 | 194.04 | 200 | 90 | 166 | 32 | 50 | 14 | 54 | 5.30 |
| N0145 | 60 H100 | 2 | CAST IRON | 60 | 242.55 | - | 90 | 215 | 32 | 50 | 19 | 54 | 7.50 |
| N0146 | 72 H100 | 2 | CAST IRON | 72 | 291.06 | - | 100 | 263 | 32 | 55 | 19 | 62 | 9.00 |
| N0147 | 84 H100 | 2 | CAST IRON | 84 | 339.576 | - | 100 | 312 | 32 | 55 | 19 | 62 | 10.00 |
| N0148 | 96 H100 | 2 | CAST IRON | 96 | 388.08 | - | 120 | 360 | 32 | 60 | 19 | 70 | 13.80 |
| N0149 | 120 H100 | 2 | CAST IRON | 120 | 485.10 | - | 120 | 458 | 32 | 60 | 19 | 70 | 22.00 |
