AT10 50W Plain Bore timing Pulley
- Home
- Product
- Plain Bore Timing Pulley
- AT10 Plain Bore timing Pulley
- AT10 50W Plain Bore timing Pulley
AT10 50W Plain Bore timing Pulley Ref. AT10 50W
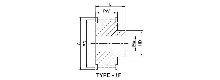
Technical Specifications
| Part No | Pulley Size | Pulley Type | Material | No. Of Teeth | Pd | A | Hd | Pw | L | MIN Bore (MB) | Max Bore | APPROX WEIGHT (Kg) |
|---|---|---|---|---|---|---|---|---|---|---|---|---|
| N1171 | 66 AT10/18-2 | 1F | ALUMINIUM | 18 | 57.29 | 60.00 | 40.00 | 56.00 | 66.00 | 10.00 | 22.00 | 0.42 |
| N1172 | 66 AT10/19-2 | 1F | ALUMINIUM | 19 | 60.48 | 66.00 | 44.00 | 56.00 | 66.00 | 10.00 | 22.00 | 0.47 |
| N1173 | 66 AT10/20-2 | 1F | ALUMINIUM | 20 | 63.66 | 66.00 | 46.00 | 56.00 | 66.00 | 12.00 | 24.00 | 0.52 |
| N1174 | 66 AT10/22-2 | 1F | ALUMINIUM | 22 | 70.03 | 75.00 | 52.00 | 56.00 | 66.00 | 12.00 | 28.00 | 0.57 |
| N1175 | 66 AT10/24-2 | 1F | ALUMINIUM | 24 | 76.39 | 83.00 | 58.00 | 56.00 | 66.00 | 12.00 | 30.00 | 0.74 |
| N1176 | 66 AT10/25-2 | 1F | ALUMINIUM | 25 | 79.58 | 83.00 | 60.00 | 56.00 | 66.00 | 12.00 | 30.00 | 0.77 |
| N1177 | 66 AT10/26-2 | 1F | ALUMINIUM | 26 | 82.76 | 87.00 | 60.00 | 56.00 | 66.00 | 12.00 | 30.00 | 0.82 |
| N1178 | 66 AT10/27-2 | 1F | ALUMINIUM | 27 | 85.95 | 91.00 | 60.00 | 56.00 | 66.00 | 12.00 | 30.00 | 0.95 |
| N1179 | 66 AT10/28-2 | 1F | ALUMINIUM | 28 | 89.13 | 93.00 | 60.00 | 56.00 | 66.00 | 12.00 | 30.00 | 0.96 |
| N1180 | 66 AT10/30-2 | 1F | ALUMINIUM | 30 | 95.49 | 97.00 | 60.00 | 56.00 | 66.00 | 12.00 | 30.00 | 1.17 |
| N1181 | 66 AT10/32-2 | 1F | ALUMINIUM | 32 | 101.86 | 106.00 | 65.00 | 56.00 | 66.00 | 12.00 | 32.00 | 1.06 |
| N1182 | 66 AT10/36-2 | 1F | ALUMINIUM | 36 | 114.59 | 120.00 | 70.00 | 56.00 | 66.00 | 16.00 | 35.00 | 1.64 |
| N1183 | 66 AT10/40-2 | 1F | ALUMINIUM | 40 | 127.32 | 135.00 | 80.00 | 56.00 | 66.00 | 16.00 | 40.00 | 2.00 |
| N1184 | 66 AT10/44-2 | 1F | ALUMINIUM | 44 | 140.06 | 145.00 | 88.00 | 56.00 | 66.00 | 16.00 | 46.00 | 2.36 |
| N1185 | 66 AT10/48-2 | 1F | ALUMINIUM | 48 | 152.78 | 158.00 | 95.00 | 56.00 | 66.00 | 16.00 | 48.00 | 2.83 |
| N1186 | 66 AT10/60-2 | 1F | ALUMINIUM | 60 | 190.98 | 196.00 | 110.00 | 56.00 | 66.00 | 16.00 | 60.00 | 4.37 |
