14M 55 Taper Lock Bush Timing Pulley
- Home
- products
- Taper Lock Bush Timing Pulley
- 14M Taper Lock Bush Timing Pulley
- 14M 55 Taper Lock Bush Timing Pulley
14M Taper Lock Bush Timing Pulley Ref. 14M 55
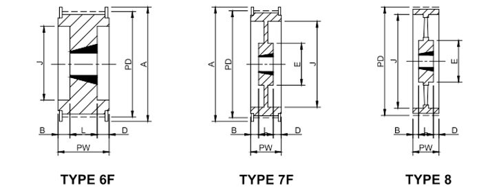
Technical Specifications
| PART NO | PULLEY SIZE | PULLEY TYPE | BUSH NO | MATERIAL | NO. OF TEETH | MAX BORE (MB) | PD | A | PW | J | B | L | D | E | APPROX WEIGHT (kg) |
|---|---|---|---|---|---|---|---|---|---|---|---|---|---|---|---|
| N0692 | 28-14M-55 | 6F | 2012 | C.I. / FG200 | 28 | 50 | 124.78 | 128 | 70 | 94 | 19 | 32 | 19 | - | 2.20 |
| N0693 | 29-14M-55 | 6F | 2012 | C.I. / FG200 | 29 | 50 | 129.23 | 138 | 70 | 98 | 19 | 32 | 19 | - | 2.50 |
| N0694 | 30-14M-55 | 6F | 2517 | C.I. / FG200 | 30 | 60 | 133.69 | 138 | 70 | 100 | 12.5 | 45 | 12.5 | - | 2.70 |
| N0695 | 32-14M-55 | 6F | 2517 | C.I. / FG200 | 32 | 60 | 142.60 | 154 | 70 | 108 | 12.5 | 45 | 12.5 | - | 3.60 |
| N0696 | 34-14M-55 | 6F | 2517 | C.I. / FG200 | 34 | 60 | 151.51 | 160 | 701 | 110 | 12.5 | 45 | 12.5 | - | 4.55 |
| N0697 | 36-14M-55 | 6F | 2517 | C.I. / FG200 | 36 | 60 | 160.43 | 168 | 70 | 120 | 12.5 | 45 | 12.5 | - | 5.20 |
| N0698 | 38-14M-55 | 6F | 2517 | C.I. / FG200 | 38 | 60 | 169.34 | 184 | 70 | 130 | 12.5 | 45 | 12.5 | - | 6.20 |
| N0699 | 40-14M-55 | 6F | 3020 | C.I. / FG200 | 40 | 75 | 178.25 | 188 | 70 | 138 | 12.5 | 45 | 12.5 | - | 7.00 |
| N0700 | 44-14M-55 | 6F | 3020 | C.I. / FG200 | 44 | 75 | 196.08 | 212 | 70 | 155 | 9.5 | 51 | 9.5 | - | 8.60 |
| N0701 | 48-14M-55 | 6F | 3020 | C.I. / FG200 | 48 | 75 | 213.90 | 226 | 70 | 170 | 9.5 | 51 | 9.5 | - | 10.40 |
| N0702 | 56-14M-55 | 6F | 3020 | C.I. / FG200 | 56 | 75 | 249.55 | 256 | 70 | 208 | 19.5 | 51 | 9.5 | - | 12.40 |
| N0703 | 64-14M-55 | 7F | 3020 | C.I. / FG200 | 64 | 75 | 285.21 | 296 | 70 | 240 | 9.5 | 51 | 9.5 | 170 | 14.50 |
| N0704 | 72-14M-55 | 8 | 3020 | C.I. / FG200 | 72 | 75 | 320.86 | - | 70 | 280 | 9.5 | 51 | 9.5 | 170 | 16.20 |
| N0705 | 80-14M-55 | 8 | 3020 | C.I. / FG200 | 80 | 75 | 356.51 | - | 70 | 315 | 9.5 | 51 | 9.5 | 170 | 17.50 |
| N0706 | 90-14M-55 | 8 | 3020 | C.I. / FG200 | 90 | 75 | 401.07 | - | 70 | 360 | 9.5 | 51 | 9.5 | 170 | 20.10 |
| N0707 | 112-14M-55 | 8 | 3020 | C.I. / FG200 | 112 | 75 | 499.11 | - | 70 | 457 | 9.5 | 51 | 9.5 | 170 | 28.40 |
| N0708 | 144-14M-55 | 8 | 3020 | C.I. / FG200 | 144 | 75 | 641.71 | - | 70 | 600 | 9.5 | 51 | 9.5 | 170 | 36.20 |
| N0709 | 168-14M-55 | 8 | 3020 | C.I. / FG200 | 168 | 75 | 748.66 | - | 70 | 706 | 9.5 | 51 | 9.5 | 170 | 49.00 |
| N0710 | 192-14M-55 | 8 | 3020 | C.I. / FG200 | 192 | 75 | 855.62 | - | 70 | 813 | 9.5 | 51 | 9.5 | 170 | 53.00 |
