14M 85 Plain Bore Timing Pulley
- Home
- Plain Bore Timing Pulley
- 14M Plain Bore Timing Pulley
- 14M 85 Plain Bore Timing Pulley
14M Plain Bore Timing Pulley Ref. 14M 85
Technical Specifications
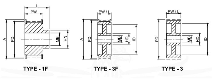
| PART NO | PULLEY SIZE | PULLEY TYPE | MATERIAL | NO. OF TEETH | PD | A | HD | ID | PW | L | MIM BORE (D) | MAX BORE | APPROX WEIGHT (kg) |
|---|---|---|---|---|---|---|---|---|---|---|---|---|---|
| N0541 | 28-14M-85 | 1F | STEEL | 28 | 124.78 | 128 | 100 | - | 102 | 117 | 24.0 | 67.0 | 7.70 |
| N0542 | 30-14M-85 | 1F | STEEL | 30 | 133.69 | 138 | 100 | - | 102 | 117 | 24.0 | 67.0 | 9.10 |
| N0543 | 32-14M-85 | 1F | STEEL | 32 | 142.60 | 154 | 100 | - | 102 | 117 | 24.0 | 67.0 | 10.50 |
| N0544 | 34-14M-85 | 1F | STEEL | 34 | 151.52 | 160 | 100 | - | 102 | 117 | 24.0 | 67.0 | 11.90 |
| N0545 | 36-14M-85 | 1F | STEEL | 36 | 160.43 | 168 | 100 | - | 102 | 117 | 32.0 | 67.0 | 13.20 |
| N0546 | 38-14M-85 | 1F | STEEL | 38 | 169.34 | 184 | 120 | - | 102 | 117 | 32.0 | 80.0 | 15.15 |
| N0547 | 40-14M-85 | 1F | STEEL | 40 | 178.25 | 188 | 135 | - | 102 | 117 | 32.0 | 90.0 | 17.10 |
| N0548 | 44-14M-85 | 1F | STEEL | 44 | 196.08 | 212 | 135 | - | 102 | 117 | 32.0 | 90.0 | 23.30 |
| N0549 | 48-14M-85 | 1F | STEEL | 48 | 213.90 | 226 | 150 | - | 102 | 117 | 32.0 | 100.0 | 25.00 |
| N0550 | 56-14M-85 | 3F | CAST IRON | 56 | 249.55 | 256 | 150 | 207 | 102 | 102 | 32.0 | 90.0 | 25.00 |
| N0551 | 64-14M-85 | 3F | CAST IRON | 64 | 285.21 | 296 | 150 | 240 | 102 | 102 | 32.0 | 90.0 | 30.50 |
| N0552 | 72-14M-85 | 3 | CAST IRON | 72 | 320.86 | - | 150 | 278 | 102 | 102 | 32.0 | 90.0 | 28.26 |
| N0553 | 80-14M-85 | 3 | CAST IRON | 80 | 356.51 | - | 150 | 314 | 102 | 102 | 32.0 | 90.0 | 30.10 |
| N0554 | 90-14M-85 | 3 | CAST IRON | 90 | 401.07 | - | 150 | 358 | 102 | 102 | 32.0 | 90.0 | 33.00 |
| N0555 | 112-14M-85 | 3 | CAST IRON | 112 | 499.11 | - | 150 | 456 | 102 | 102 | 32.0 | 90.0 | 41.80 |
| N0556 | 144-14M-85 | 3 | CAST IRON | 144 | 641.71 | - | 150 | 600 | 102 | 102 | 32.0 | 90.0 | 52.40 |
| N0557 | 168-14M-85 | 3 | CAST IRON | 168 | 748.66 | - | 150 | 706 | 102 | 102 | 32.0 | 90.0 | 60.30 |
| N0558 | 192-14M-85 | 3 | CAST IRON | 192 | 855.62 | - | 165 | 813 | 102 | 102 | 32.0 | 100.0 | 70.20 |
